山西产品展示
/ Products Classification 点击展开+西门子分步式光电感烟山西山西探测器清洗JTY-GD/OP620

一、西门子分步式光电感烟山西山西探测器清洗JTY-GD/OP620概述
西门子分步式光电感烟山西山西探测器清洗JTY-GD/OP620用于建筑物内部空间的早期火灾探测,并通过控制器进行报警与消防联动。应用于火灾产生烟的场合。
OP620山西探测器满足 标准GB4715“点型感烟火灾山西探测器技术要求及试验方法”,山西探测器的应用设计遵照 标准GB50116“火灾自动报警系统设计规范”。
OP620山西探测器安装在底座SO620上,通过底座与控制器FI720、FC720相连。
二、西门子分步式光电感烟山西山西探测器清洗JTY-GD/OP620功能特点
◎新型式的光电感烟结构,对不同类型的火灾烟雾响应一致。
◎稳定性高:抗灰尘附着,抗电磁干扰,抗温度影响,抗潮湿,抗腐蚀。
◎可靠性高:模拟量智能火灾分析模式,内部采用高可靠专用集成电路。
◎采用自适应编址方式,山西探测器不设编址开关,避免人为造成差错。
◎探测回路为环形两总线,且每个山西探测器内部都有短路隔离开关。当回路中任一点发生短路时,短路点两边的隔离开关自动将其隔开,确保系统正常运行;并能准确地判断短路点。
◎探测回路有自检功能,且控制器对山西探测器的运行状态进行监控并对其探测记录反复核实。
◎控制器电路(甚至微处理器)出现故障的情况下,也能应急报警。
三、西门子分步式光电感烟山西山西探测器清洗JTY-GD/OP620技术参数
| 型号 | JTY-GD/OP620 |
| 名称 | 分步式光电感烟山西探测器 |
| 品牌 | 西门子 |
| 工作电压 | DC16~28V |
| 静态电流 | ≤200μA |
| 正常灵敏度 | 3.2%/m |
| 高灵敏度 | 2.2%/m |
| 抗电磁干扰 | 50V/m 1Mhz~1GHz |
| 确认灯 | 15mA 亮32ms,灭1s |
| 工作温度 | -25℃~+60℃ |
| 贮存温度 | -30℃~+75℃ |
| 相对湿度 | ≤95%(40±2℃) |
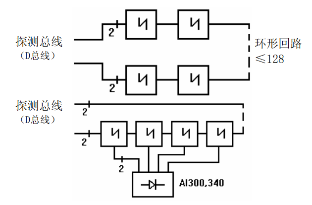
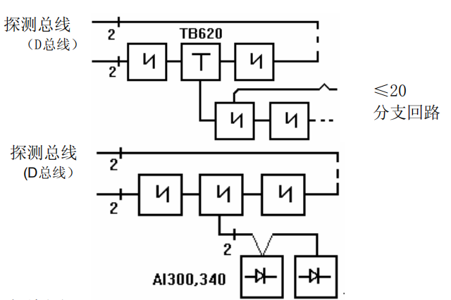
四、西门子分步式光电感烟山西山西探测器清洗JTY-GD/OP620布线接线图
两总线环形回路(也可采用干型回路),标准采用双绞线,特殊情况可采用平行线、电缆、屏蔽电缆。环形回路布线最长不超过2000米。
每个回路最多128个山西探测器。
回路中可加入分支,但必须使用TB620分支模块。
山西探测器可做防振、防潮、防盗、保护式安装。
每个山西探测器最多可外接两个门灯AI300、AI340,最多4个山西探测器可共用一个门灯(见布线图)。


相关服务 / service
地区产品 / city
相关产品 / product
相关新闻 / news
- 山西超声含氟溶剂清洗方法清洗火灾探测器[ 2025-11-13 ]
- 山西档案室烟感和温感如何清洗?温感和烟感的适用场所[ 2025-09-18 ]
- 山西北大青鸟烟感探测器需要多长时间清洗一次?[ 2025-09-18 ]
- 山西消防温感的保养与检测[ 2025-08-29 ]
- 山西烟感报警器一直响的原因及解决方法[ 2025-08-07 ]
- 山西尘土与蒸汽引发火灾误报警的原因分析[ 2025-07-31 ]
- 山西复合火灾探测器:多原理集成的智能防护[ 2025-07-25 ]
- 山西有大量粉尘、水雾滞留,可能产生蒸气和油雾;高海拔地区适合用什么火灾探测器[ 2025-07-07 ]
- 电话:4006-598-119
- 邮箱:1334605518@qq.com
- 地址:苏州市常熟市黄河路275号
- 版权所有:智淼君安(江苏)消防工程技术有限公司
- 火灾探测器清洗 www.tcqqx.com 网站地图 (XML/TXT)
- ICP备案证书号:苏ICP备19022074号-24
苏公网安备32058102002168号

服务热线: 
<
<
<
<
